Té égal avec 1 bride fixe et 2 brides tournantes

Té égal ISO CF trous lisse à 2 brides tournantes
Té égal ISO CF trous lisse à 2 brides tournantes
Té égal ISO CF trous lisse à 2 brides tournantes
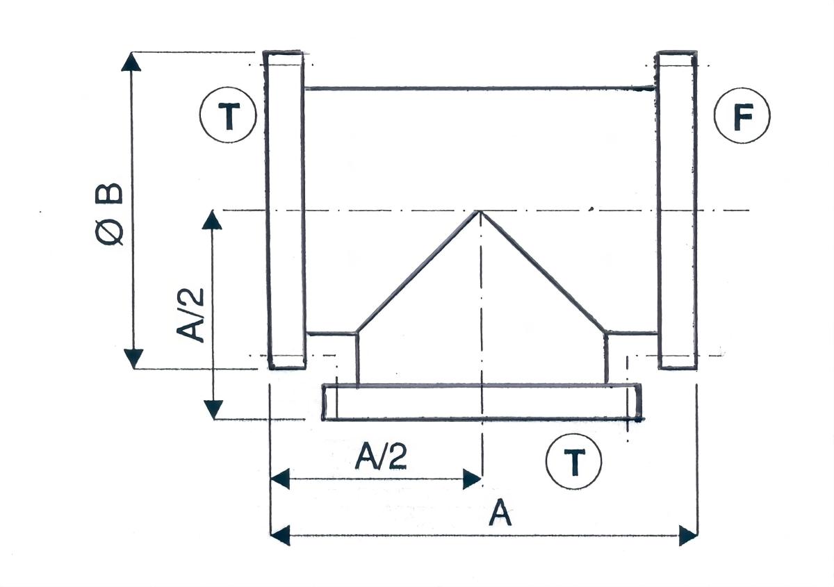
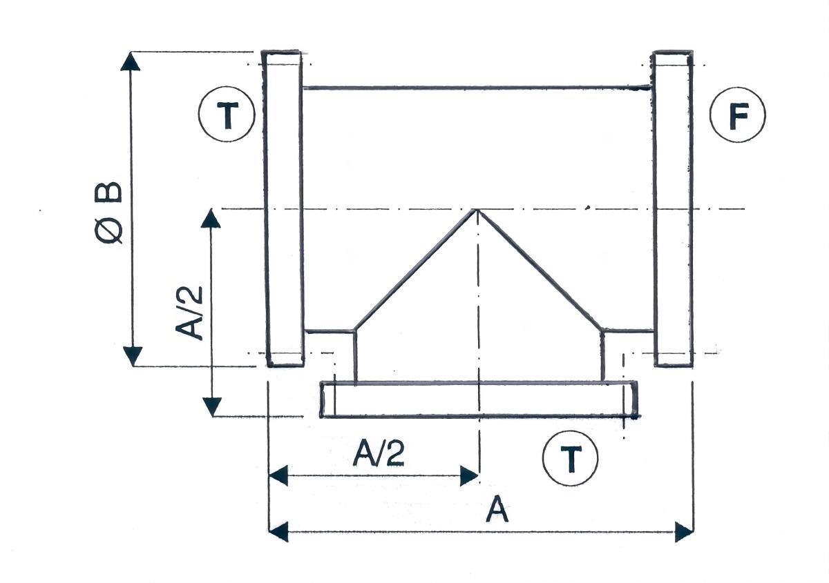
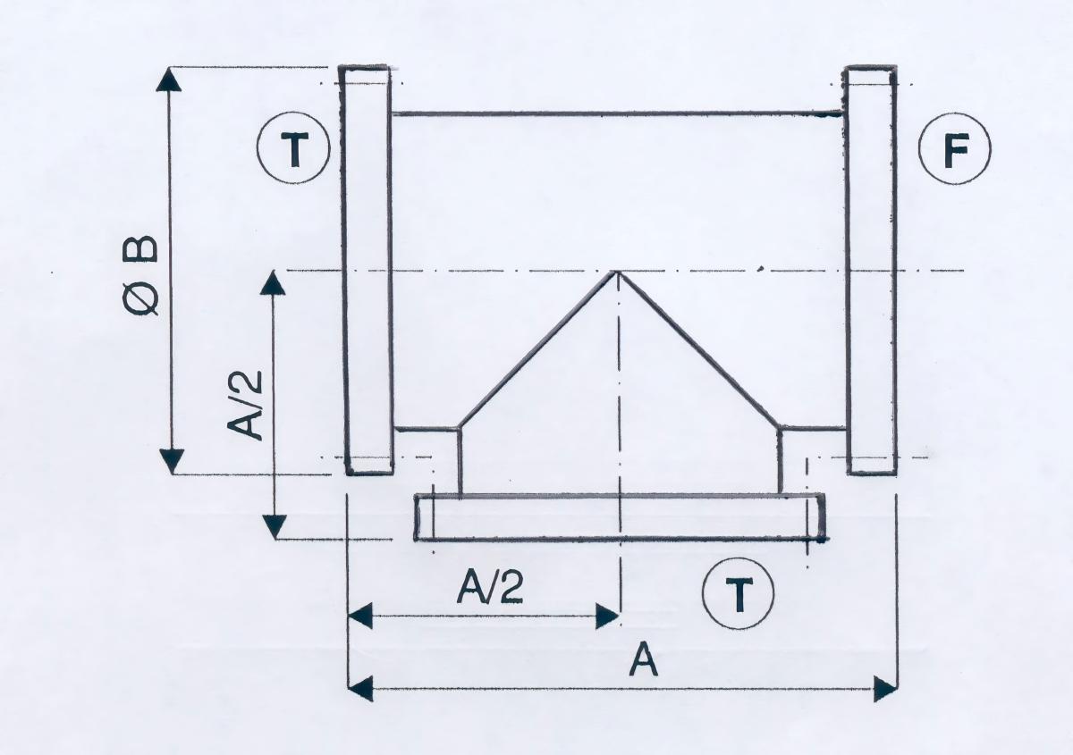
Schéma té égal ISO CF trous lisse à 2 brides tournantes
Schéma té égal ISO CF trous lisse à 2 brides tournantes
Schéma té égal ISO CF trous lisse à 2 brides tournantes

Caractéristiques techniques

TES EGAUX A TROUS LISSES (2 COTES TOURNANTS)
Ø nominal A B E Inox 304
DN 16  94.4 33.8 6 VCFT16LI
DN 35 125 69.5 6 VCFT35LI
DN 63 171.4 113.6 8 VCFT63LI
DN 100 219 151.6 16 VCFT100LI
DN 150 279.4 202.5 20 VCFT150LI
Les dimensions des produits ne sont pas contractuelles
Demande d'informations

Ce produit vous intéresse ?

Vous avez une question, besoin d'un complément d'informations ou une demande spécifique sur ce produit ? Contactez-nous dès maintenant, nous vous répondrons dans les plus bref délais !
Contactez DMD INOX
DMD INOX

Partager ce produit

DMD INOX
Loading…
Loading the web debug toolbar…
Attempt #