Bride tubulure ISO F

Bride tubulure ISO F
Bride tubulure ISO F
Bride tubulure ISO F
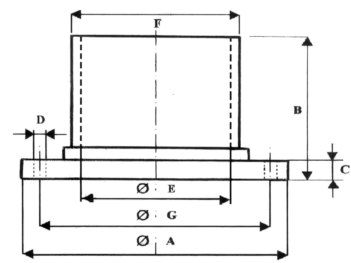
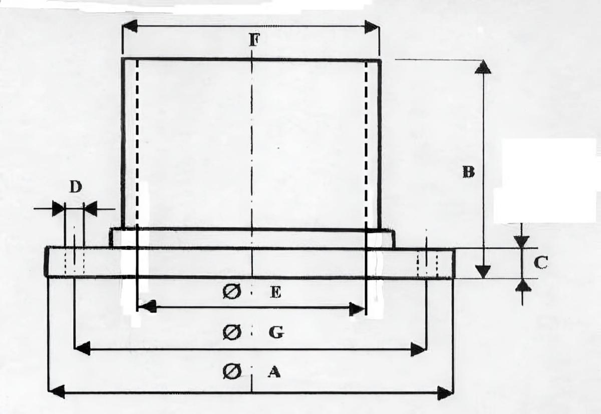
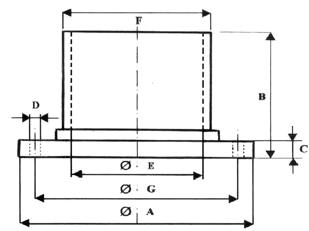
Schéma bride tubulure ISO F
Schéma bride tubulure ISO F
Schéma bride tubulure ISO F

Caractéristiques techniques

BRIDES TUBULURES
Ø Nominal A B C D E F G Inox 316L Inox 304
DN 63 130 100 12 9 70 76 110 VIFBT63IL48I VIFBT63I48I
DN 80 145 100 12 9 83 89 125 VIFBT80IL48S VIFBT80I48S
DN 100 165 100 12 9 102 104 145 VIFBT100IL104M VIFBT100I104M
DN 100 165 100 12 9 110.3 114.3 145 VIFBT100IL64S VIFBT100I64S
DN 100 165 100 12 9 98.3 101.6 145 VIFBT100IL64I VIFBT100I64I
DN 160 225 100 16 11 150 154 200 VIFBT160IL154M VIFBT160I154M
DN 160 225 100 16 11 153 159 200 VIFBT160IL159M VIFBT160I159M
DN 160 225 100 16 11 148.3 152.6 200 VIFBT160IL96I VIFBT160I96I
DN 160 225 100 16 11 164 168.3 200 VIFBT160IL96S VIFBT160I96S
DN 200 285 100 16 11 213 219 260 VIFBT200IL148S VIFBT200I148S
DN 200 285 100 16 11 199 203.2 260 VIFBT200IL148I VIFBT200I148I
DN 250 335 100 16 11 261 267 310 VIFBT250IL267M VIFBT250I267M
DN 250 335 100 16 11 248 254 310 VIFBT205IL160I VIFBT205I160I
DN 320 425 100 20 14 300 304.8 395 VIFBT320IL306M VIFBT320I306M
DN 400 510 100 20 14 400 406 480 VIFBT400IL406M VIFBT400I406M
DN 500 610 100 20 14 501 508 580 VIFBT500IL508M VIFBT500I508M
Les dimensions des produits ne sont pas contractuelles
Demande d'informations

Ce produit vous intéresse ?

Vous avez une question, besoin d'un complément d'informations ou une demande spécifique sur ce produit ? Contactez-nous dès maintenant, nous vous répondrons dans les plus bref délais !
Contactez DMD INOX
DMD INOX

Partager ce produit

DMD INOX
Loading…
Loading the web debug toolbar…
Attempt #