Embout Lisse Court ISO KF

Embout lisse court
Embout lisse court
Embout lisse court
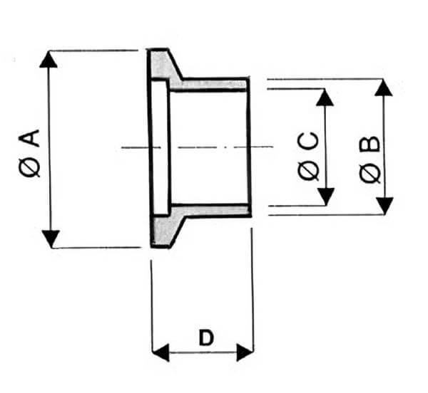
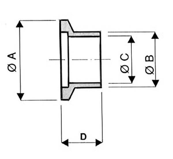
Schéma embout lisse court
Schéma embout lisse court
Schéma embout lisse court

Informations générales

Embout lisse court ISO KF inox à souder bout à bout sur tuyauterie inox normes metrique, ISO, Impériale et plus sur demande

Documents

RACCORDS PNEUROP ISO KF (Pdf - 3055.031ko)
Télecharger

Caractéristiques techniques

EMBOUTS LISSES COURTS INOX 316L
DN A B C D Inox 316L
DN 10 30 6 4 20 VKFEC10IL6M
DN 10 30 6.35 4.57 20 VKFEC10IL4I
DN 10 30 12.7 10.92 20 VKFEC10IL8I
DN 10 30 14 10 20 VKFEC10IL14M
DN 10 30 16 12 20 VKFEC10IL16M
DN 16 30 10 8 20 VKFEC16IL10M
DN 16 30 13.7 9.80 20 VKFEC16IL4S
DN 16 30 14 10 20 VKFEC16IL14M
DN 16 30 17.2 14 20 VKFEC16IL6S
DN 16 30 18 16 20 VKFEC16IL18M
DN 16 30 19.05 17.3 20 VKFEC16IL12I
DN 16 30 20 16 20 VKFEC16IL20M
DN 16 30 21.3 18.10 20 VKFEC16IL8S
DN 20 40 21.3 18.10 20 VKFEC20IL8S
DN 20 40 24 20 20 VKFEC20IL24M
DN 20 40 25.4 22.1 20 VKFEC20IL16I
DN 20 40 26.9 23.7 20 VKFEC20IL12S
DN 25 40 25.4 22.10 20 VKFEC25IL16I
DN 25 40 26,9 23.7 20 VKFEC25IL12S
DN 25 40 28 25 20 VKFEC25IL28M
DN 25 40 33.7 30.5 20 VKFEC25IL16S
DN 32 55 33.7 30.5 20 VKFEC32IL16S
DN 32 55 38 32 20 VKFEC32IL38M
DN 32 55 38,1 35 20 VKFEC32IL24I
DN 32 55 42,4 39.2 20 VKFEC32IL20S
DN 40 55 33.7 30.5 20 VKFEC40IL16S
DN 40 55 38.1 35 20 VKFEC40IL24I
DN 40 55 42.4 39.2 20 VKFEC40IL20S
DN 40 55 44 40 20 VKFEC40IL44M
DN 40 55 48.3 45 20 VKFEC40IL24S
DN 50 75 48.3 45 20 VKFEC50IL24S
DN 50 75 50.8 47.5 20 VKFEC50IL32I
DN 50 75 54 50 20 VKFEC50IL54M
DN 50 75 57 50 20 VKFEC50IL57M
DN 50 75 60.3 57.1 20 VKFEC50IL32S
DN 50 75 63.5 60 20 VKFEC50IL36I
Les dimensions des produits ne sont pas contractuelles
Demande d'informations

Ce produit vous intéresse ?

Vous avez une question, besoin d'un complément d'informations ou une demande spécifique sur ce produit ? Contactez-nous dès maintenant, nous vous répondrons dans les plus bref délais !
Contactez DMD INOX
DMD INOX

Partager ce produit

DMD INOX
Produits associés

Vous pourriez être aussi intéressé par

Colliers Fixations ISO KF
Collier Serrage ISO KF pour Joint Élastomère Collier Serrage ISO KF pour Joint Élastomère

Collier Serrage ISO KF pour Joint Élastomère

ISO KF
Collier de serrage manuel à papillon pour raccord ISO K avec joint élastomère
Anneaux de Centrage ISO KF
Anneau de Centrage Intérieur ISO KF avec Joint Anneau de Centrage Intérieur ISO KF avec Joint

Anneau de Centrage Intérieur ISO KF avec Joint

ISO KF
Anneau de centrage intérieur ISO KF à joint élastomère
Obturateurs ISO KF
Obturateur Simple ISO KF Obturateur Simple ISO KF

Obturateur Simple ISO KF

ISO KF
Obturateur simple ISO KF
Soufflets ISO KF
Soufflet ISO KF Soufflet ISO KF

Soufflet ISO KF

ISO KF
Soufflet ISO KF
Embouts de Flexibles ISO KF
Embout Flexible Inox à Souder ISO KF Embout Flexible Inox à Souder ISO KF

Embout Flexible Inox à Souder ISO KF

ISO KF
Embout ISO KF à souder sur onduleux inox
Embouts de Réduction ISO KF
Réduction Concentrique ISO KF Réduction Concentrique ISO KF

Réduction Concentrique ISO KF

ISO KF
Réduction concentrique ISO KF
Loading…
Loading the web debug toolbar…
Attempt #