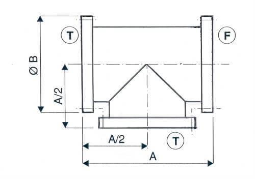
Té Égal ISO CF 1 Bride Fixe + 2 Brides Tournantes

Té égal ISO CF trous lisse à 2 brides tournantes
Té égal ISO CF trous lisse à 2 brides tournantes
Té égal ISO CF trous lisse à 2 brides tournantes
Schéma té égal ISO CF trous lisse à 2 brides tournantes
Schéma té égal ISO CF trous lisse à 2 brides tournantes
Schéma té égal ISO CF trous lisse à 2 brides tournantes

Informations générales

Té égal ISO CF inox à 90° avec une bride fixe et 2 brides tournantes à tours lisses. Brides à couteau pour joint métallique

Documents

RACCORD PNEUROP ULTRA-VIDE ISO CF (Pdf - 3835.355ko)
Télecharger

Caractéristiques techniques

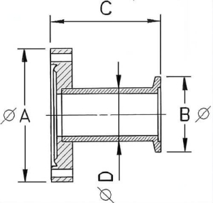
TES EGAUX A TROUS LISSES (2 COTES TOURNANTS)
Ø nominal A B E Inox 304
DN 16  94.4 33.8 6 VCFT16LI
DN 35 125 69.5 6 VCFT35LI
DN 63 171.4 113.6 8 VCFT63LI
DN 100 219 151.6 16 VCFT100LI
DN 150 279.4 202.5 20 VCFT150LI
Les dimensions des produits ne sont pas contractuelles
Demande d'informations

Ce produit vous intéresse ?

Vous avez une question, besoin d'un complément d'informations ou une demande spécifique sur ce produit ? Contactez-nous dès maintenant, nous vous répondrons dans les plus bref délais !
Contactez DMD INOX
DMD INOX

Partager ce produit

DMD INOX
Produits associés

Vous pourriez être aussi intéressé par

Compensateurs ISO CF
Compensateur Inox ISO CF Bride Fixe + Bride Tournante Compensateur Inox ISO CF Bride Fixe + Bride Tournante

Compensateur Inox ISO CF Bride Fixe + Bride Tournante

ISO CF
Compensateur ISO CF avec une connexion fixe et une connexion tournante à trous lisses
Vis Assemblage ISO CF
Vis d'assemblage pour bride à trous taraudés Vis d'assemblage pour bride à trous taraudés

Vis d'assemblage pour bride à trous taraudés

ISO CF
Vis pour assembler une bride à trous lisse et une bride à trous taraudés
Brides à Souder ISO CF
Bride Fixe à Souder ISO CF Trous Taraudés Bride Fixe à Souder ISO CF Trous Taraudés

Bride Fixe à Souder ISO CF Trous Taraudés

ISO CF
Bride fixe ISO CF à souder par emboitement à trous taraudés
Adaptateurs ISO CF
Adaptateur ISO CF x ISO KF Adaptateur ISO CF x ISO KF

Adaptateur ISO CF x ISO KF

ISO CF
Adaptateur ISO CF x ISO KF
Obturateurs ISO CF
Obturateur ISO CF pour Bride Tournante Obturateur ISO CF pour Bride Tournante

Obturateur ISO CF pour Bride Tournante

ISO CF
Obturateur de bride tournante ISO CF
Loading…
Loading the web debug toolbar…
Attempt #