Raccords
Vannes
Vide
Raccords
Raccords double bague
Raccord sans rétention
Raccord métal-métal
Raccords pour tubes roulés soudés
Raccord pour gaz purs
Raccords gaz purs
Raccord union
Raccords clamp
Accessoires de montage standard
Vannes
Vide
ISO KF
ISO K
ISO F
ISO CF
Raccords double bague
Raccords double bague inox 316L
Raccords double bague inox 316
Raccord sans rétention
Unions doubles à joint plat
Unions mâles à joint plat
Unions femelles à joint plat
Ecrous
Joints plats
Raccord métal-métal
Unions doubles
Unions mâles
Unions femelles
Unions doubles femelles
Ecrous
Raccords pour tubes roulés soudés
Unions
Raccord pour gaz purs
Croix égales microfit à souder bout à bout
Tés égaux microfit à souder bout à bout
Coudes égaux microfit à souder bout à bout
Raccords filetés pour gaz purs
Raccords taraudés pour gaz purs
Raccords symétriques pour gaz purs
Raccords d'adaptation pour gaz purs
Ecrous pour gaz purs
Bouchons pour gaz purs
Joints pour gaz purs
Réductions à soudure orbitale pour gaz purs
Coudes égaux à soudure orbitale pour gaz purs
Tés égaux à soudure orbitale pour gaz purs
Tés réduits à soudure orbitale pour gaz purs
Croix égales à soudrue orbitale pour gaz purs
Embouts courts à soudure orbitale pour gaz purs
Embouts longs à soudure orbitale pour gaz purs
Embouts socket welding pour gaz purs
Raccords gaz purs
Raccord union
Raccord union à étanchéité conique
Raccord union réduit à étanchéité conique
Raccord union à étanchéité par joint plat
Raccord union cannelé à joint plat
Raccord union série 3000
Raccords clamp
Raccords clamp complet avec joint EPDM
Colliers clamp
Ferrules clamp
Bouchon clamp
Joint clamp
Accessoires de montage standard
Accessoires de tuyauterie filetés
Accessoires de tuyauterie cannelés
Accessoires de tuyauterie à souder
Brides et collets
Raccords série 3000
Raccords série 3001
Accessoires de fixation
ISO KF
Fixations
Obturateurs
Anneaux de centrage
Embouts
Raccords
Flexibles
Soufflets
ISO K
Fixations
Anneaux de centrage
Joints
Brides
Raccords
Flexibles
FLexibles
ISO F
Brides
Accessoires
ISO CF
Brides
Colets
Collets
Séparateurs
Raccords
Flexibles
Compensateurs
Adaptateurs
Accessoires
Raccords double bague inox 316L
Raccords unions
Raccords filetés à une extrémité
Raccords taraudés à une extrémité
Adaptateurs
Adaptateurs autres
Bouchons
Ecrous
Bagues
Inserts
Raccords double bague inox 316
Raccords unions
Raccords filetés à une extrémité
Raccords taraudés à une extrémité
Adaptateurs
Raccords à souder à une extrémité
Bouchons
Inserts
Bagues
Ecrous
Unions doubles à joint plat
Unions mâles à joint plat
Unions femelles à joint plat
Ecrous
Joints plats
Unions doubles
Unions mâles
Unions femelles
Unions doubles femelles
Ecrous
Unions
Croix égales microfit à souder bout à bout
Tés égaux microfit à souder bout à bout
Coudes égaux microfit à souder bout à bout
Raccords filetés pour gaz purs
Raccords taraudés pour gaz purs
Raccords symétriques pour gaz purs
Raccords d'adaptation pour gaz purs
Ecrous pour gaz purs
Bouchons pour gaz purs
Joints pour gaz purs
Réductions à soudure orbitale pour gaz purs
Coudes égaux à soudure orbitale pour gaz purs
Tés égaux à soudure orbitale pour gaz purs
Tés réduits à soudure orbitale pour gaz purs
Croix égales à soudrue orbitale pour gaz purs
Embouts courts à soudure orbitale pour gaz purs
Embouts longs à soudure orbitale pour gaz purs
Embouts socket welding pour gaz purs
Raccord union à étanchéité conique
Raccord union réduit à étanchéité conique
Raccord union à étanchéité par joint plat
Raccord union cannelé à joint plat
Raccord union série 3000
Raccords clamp complet avec joint EPDM
Colliers clamp
Ferrules clamp
Bouchon clamp
Joint clamp
Accessoires de tuyauterie filetés
Embouts mâles
Mamelons tubes
Mamelons hexagonaux
Bobines
Traversées de cloison
Manchons
Bouchons
Coudes
Tés
Accessoires de tuyauterie cannelés
Adaptateurs hexagonaux
Adaptateurs lisses
Accessoires de tuyauterie à souder
Réductions à souder
Coudes à souder
Tés à souder
Fonds bombés
Brides et collets
Collets
Brides
Joints de brides
Raccords série 3000
Raccords série 3000 filetés
Raccords série 3000 à souder
Raccords série 3001
Raccords série 3000 filtés
Accessoires de fixation
Etriers
Colliers polypropylène
Colliers demi-coquilles
Collier à vis tangente
Collier tourillon
Fixations
Colliers
Obturateurs
Obturateurs
Anneaux de centrage
Anneaux de centrage
Joints toriques
Embouts
Embouts lisses
Embouts filetés
Embouts taraudés
Embouts crantés
Embouts de flexibles
Raccords
Embouts intermédiaires
Embouts de réduction
Coudes égaux
Tés égaux
Tés inégaux
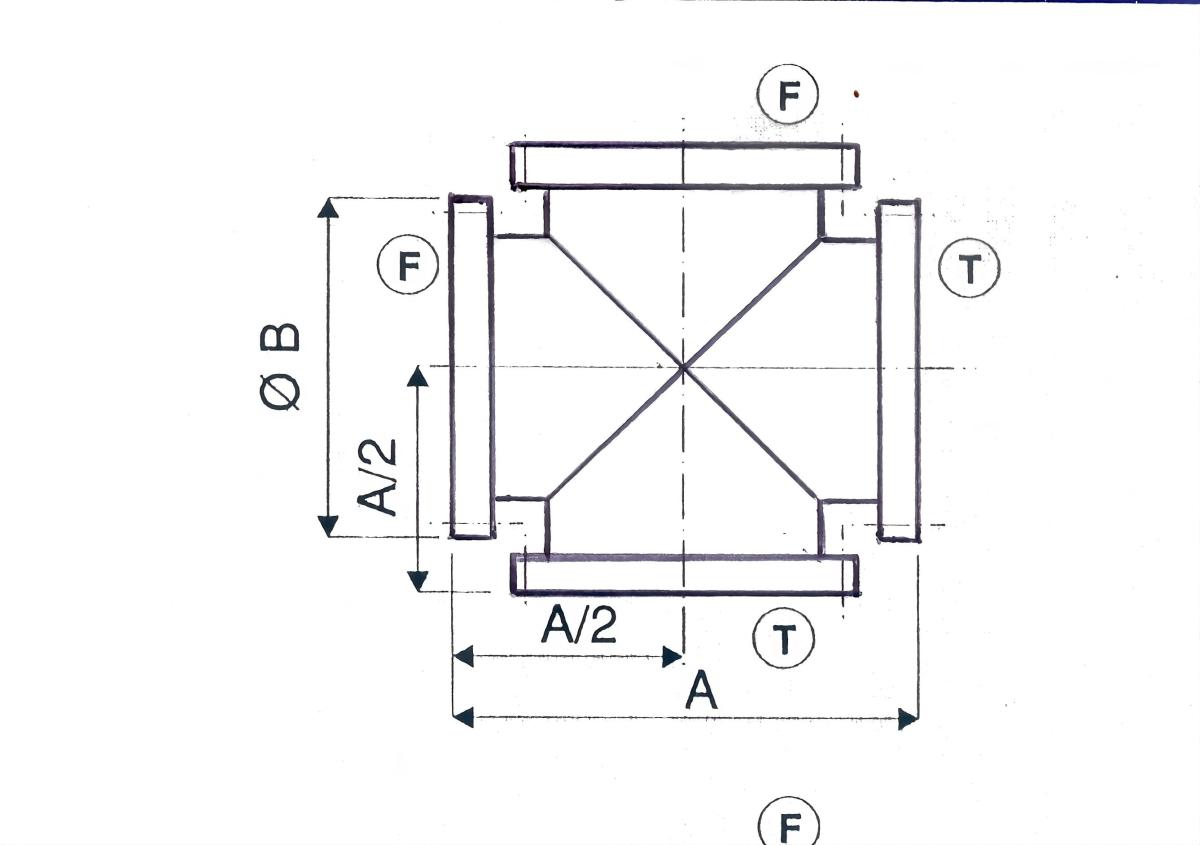
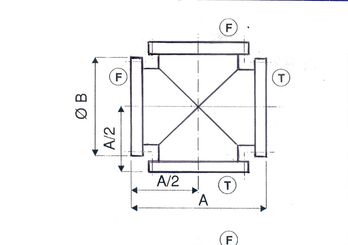
Croix égales
Croix inégales
Flexibles
Flexibles
Soufflets
Soufflets
Fixations
Griffes
Demi-griffe
Anneaux de centrage
Joints
Brides
Raccords
Raccords symétriques
Réductions
Adaptateurs
Flexibles
Flexibles
FLexibles
Soufflets
Brides
Brides pleines
Brides à souder
Brides tournantes
Accessoires
Jonc d'arrêt
Brides
Brides pleines
Brides à souder
Brides tournantes
Colets
Obturateurs
Collets
Collets à souder
collets à souder
Séparateurs
Séparateurs
Raccords
Prolongateurs
Coude égal à 90°
Té égal
Croix égle
Flexibles
Flexibles
Compensateurs
Compensateurs
Adaptateurs
Adaptateurs
Accessoires
Boulons d'assemblage
Vis d'assemblage
Joints plats
04 50 98 35 51
contact@dmdinox.com
Tous les produits
Raccords
Vannes
Vide
Fabrication sur-mesure
Applications
Peinture automobile
Haute tension
Haute pression
Chimie
Industrie
Nucléaire / Recherche
Pharmaceutique / Alimentaire
À propos
Actualités
Téléchargements
Contact
04 50 98 35 51
contact@dmdinox.com
Tous les produits
Raccords
Voir tout
Raccords double bague
Raccord sans rétention
Raccord métal-métal
Raccords pour tubes roulés soudés
Raccord pour gaz purs
Raccords gaz purs
Raccord union
Raccords clamp
Accessoires de montage standard
Vannes
Voir tout
Vide
Voir tout
ISO KF
ISO K
ISO F
ISO CF
Raccords
Vannes
Vide
Fabrication sur-mesure
Applications
Peinture automobile
Haute tension
Haute pression
Chimie
Industrie
Nucléaire / Recherche
Pharmaceutique / Alimentaire
À propos
Actualités
Téléchargements
Contact
DMD INOX
Vide
ISO CF
Raccords
Croix égle
Croix égle
Croix égle
Trier par :
Par titre
Par nouveauté
Croix égale avec 1 bride fixe et 3 brides tournantes
Croix égale ISO CF avec une connexion fixe et 3 connexions tournantes à trous lisses
Loading…
Loading the web debug toolbar…
Attempt #
Cancel